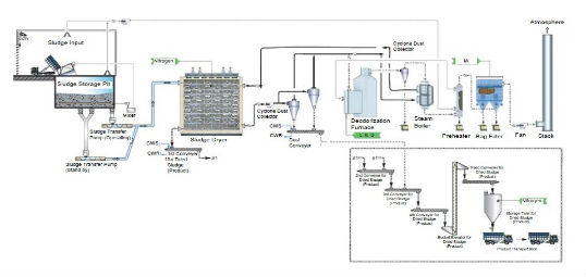
Under the “London Protocol”, Dumping sewage sludge into sea is prohibited. Toyo-Korea's Vertical Multi-Stage Hot Air Direct Drying System is a facility to produce sewage sludge as fuel by using circulating heat source and high-efficiency dryer.
Toyo-Korea's Vertical Multi-Stage Hot Air Direct Drying System is an eco-friendly facility that is competitive with low maintenance and energy costs and simple after-treatment facilities and does not cause odors during operation.


• Economic and stable treatment of sewage sludge from each municipality
• Implementation of marine dumping prohibition policy and alternative method of landfill in metropolitan area
• Maximizing economic value through sewage sludge disposal and waste as resource energy
Examples usage of sewage sludge solid fuel
▪ Power Plant
▪ Boiler for heating and cooling buildings
▪ Firing furnace in cement manufacturing plant
▪ Other boilers and burners